AF型氣動棘輪板手系列

台灣地區總代理
Fiam氣動起子 - 氣動棘輪板手產品規格:
AF系列 A9AF型氣動棘輪板手系列
-
全自動扭力控制,達到預設扭力及自動停止運轉,避免滑牙,提高組裝品質。
-
直接下壓啟動,操作快速,適合生產線使用。
-
低震動,低噪音,減少職業傷害。
- 選購注意事項:使用單位需搭配扭力測試機構使用。建議搭配扭力臂使用。
品質保證:義大利產地組裝一年保固。十萬次鎖緊壽命保證。10%扭力誤差值。
產品特點:精密度高,可靠性高,適合長時間作業使用。


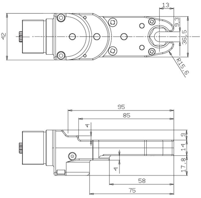
| 型號 | 扭力範圍 (NM) | 轉速 RPM | 重量 (KG) | 適用螺絲尺寸 | 尺寸 mm | 耗氣量 l/s | 噪音 dBA | 震動 m/s^2 |
| 40A9AF12B | 2-9 | 500 | 1.9 | 六角12mm | 45X431 | 9 | 75 | <2.5 |
| 40A9AF13B | 2-9 | 500 | 1.9 | 六角13mm | 45X431 | 9 | 75 | <2.5 |
| 40A9AF15B | 2-9 | 500 | 1.9 | 六角15mm | 45X431 | 9 | 75 | <2.5 |
| 40A17AF12B | 7-17 | 300 | 1.9 | 六角12mm | 45X431 | 9 | 75 | <2.5 |
| 40A17AF13B | 7-17 | 300 | 1.9 | 六角13mm | 45X431 | 9 | 75 | <2.5 |
| 40A17AF15B | 7-17 | 300 | 1.9 | 六角15mm | 45X431 | 9 | 75 | <2.5 |
| 40A20AF12B | 7-20 | 240 | 1.9 | 六角12mm | 45X431 | 10 | 75 | <2.5 |
| 40A20AF13B | 7-20 | 240 | 1.9 | 六角13mm | 45X431 | 10 | 75 | <2.5 |
| 40A20AF15B | 7-20 | 240 | 1.9 | 六角15mm | 45X431 | 10 | 75 | <2.5 |
| 型號 | NM | kg.cm | kg.m | in.lb | ft.lb |
| 40A9AF12B(最小) | 2 | 20.38 | 0.2038 | 17.704 | 1.475 |
| 40A9AF12B(最大) | 9 | 91.71 | 0.9171 | 79.668 | 6.6375 |
| 40A9AF13B(最小) | 2 | 20.38 | 0.2038 | 17.704 | 1.475 |
| 40A9AF13B(最大) | 9 | 91.71 | 0.9171 | 79.668 | 6.6375 |
| 40A9AF15B(最小) | 2 | 20.38 | 0.2038 | 17.704 | 1.475 |
| 40A9AF15B(最大) | 9 | 91.71 | 0.9171 | 79.668 | 6.6375 |
| 40A17AF12B(最小) | 7 | 71.33 | 0.7133 | 61.964 | 5.1625 |
| 40A17AF12B(最大) | 17 | 173.23 | 1.7323 | 150.484 | 12.5375 |
| 40A17AF13B(最小) | 7 | 71.33 | 0.7133 | 61.964 | 5.1625 |
| 40A17AF13B(最大) | 17 | 173.23 | 1.7323 | 150.484 | 12.5375 |
| 40A17AF15B(最小) | 7 | 71.33 | 0.7133 | 61.964 | 5.1625 |
| 40A17AF15B(最大) | 17 | 173.23 | 1.7323 | 150.484 | 12.5375 |
| 40A20AF12B(最小) | 7 | 71.33 | 0.7133 | 61.964 | 5.1625 |
| 40A20AF12B(最大) | 20 | 203.8 | 2.038 | 177.04 | 14.75 |
| 40A20AF13B(最小) | 7 | 71.33 | 0.7133 | 61.964 | 5.1625 |
| 40A20AF13B(最大) | 20 | 203.8 | 2.038 | 177.04 | 14.75 |
| 40A20AF15B(最小) | 7 | 71.33 | 0.7133 | 61.964 | 5.1625 |
| 40A20AF15B(最大) | 20 | 203.8 | 2.038 | 177.04 | 14.75 |